Selasa, 10 Januari 2023

Skema Power Class D


Skema Power Class D

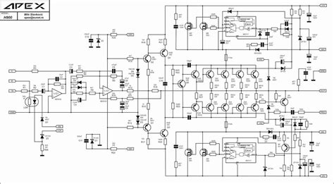
skema power amplifier class D beserta SMPS untuk outdoor..... 2000watt rms

Daftar Isi

1. skema power amplifier class D beserta SMPS untuk outdoor..... 2000watt rms


Klo ga salah ya liat saja ini link nya: http://rangkaianpower.blogspot.co.id/2013_01_01_archive.html?m=1

2. komponen komponen power system pada karburator kecualia. power valveb. power jetc. power pistond. power dampere. power spring


Jawaban Kecuali B.Power jet

3. ari Klasik Gambyong pareanom merupakanA. Power kecilB. Power cepatC. Power besarD. Power pelan​


Jawaban:

B. Power Cepat

Penjelasan:

maaf jika salah^^

Jawaban:

D.power pelan

Penjelasan:

SEMOGA MEMBANTU

JANGAN LUPA DI LIKE ATAU DI FOLLOW

MAKASIH♥


4. apa itu skema dan bagaimana bentuk skema​


Jawaban:

Pengertian skema adalah suatu bentuk rancangan atau kerangka secara garis besar yang memuat gambaran umum tentang bagaimana suatu tujuan dapat dicapai. Skema tidak menjelaskan rencana secara terperinci dan skema biasanya berbentuk tidak terlalu formal

gitu aja sih setau aku

Pengertian skema adalah suatu bentuk rancangan atau kerangka secara garis besar yang memuat gambaran umum tentang bagaimana suatu tujuan dapat dicapai. Skema tidak menjelaskan rencana secara terperinci dan skema biasanya berbentuk tidak terlalu formal.

Semoga bermanfaat:)


5. Kelas maya disebut juga... A. ITC class B. Cyber class C. Internet class D. Mirror class E. Window class


D. Mirror class...... B.Cyber Class atau disebut E-Learning

6. Deseribe the follo wing types of power plant (25 points A. Hydro power plant B. solar fired power plant C. Coal fired power plant D. Lignite fired power plant E.Nuclear power plant


Jawaban:

A. PEMBANGKIT LISTRIK tenaga AIR

b.pembangkit listrik tenaga Surya

c. pembangkit listrik tenaga batu bara

d.pembangkit listrik berbahan bakar lignit

E. pembangkit listrik tenaga nuklir

Penjelasan:

semoga membantu ya


7. nama lain dari surat kuasa adalah a. power latter b. latterable c. capable d. super power e. full power / credential


Nama lain dari surat kuasa adalah a. power letter

Pembahasan Apa itu Surat Kuasa ?

Surat kuasa  (power of attorney atau power letter) adalah suatu surat yang dituliskan untuk mewakili tindakan dari orang lain dalam urusan-urusan tertentu. Surat ini dipergunakan untuk memberikan wewenang kepada orang yang dianggap mampu untuk diberikan pelimpahan kewenangan. Surat ini dapat dipergunakan baik untuk urusan pribadi, urusan perusahaan (bisnis), dan urusan peradilan (hukum).

Bagaimana cara kerjanya ?

Kekuasaan dalam surat kuasa ini adalah sesuai dengan perjanjian yang telah disepakati dan ditandatangani oleh pihak-pihak yang terlibat tanpa menggunakan materai agar suatu waktu dapat dicabut oleh pembuat surat. Namun, beberapa kasus utamanya dalam hukum harus tetap di atas materai untuk dapat lebih mengikat dalam suatu pengesahan sehingga tidak dapat ditarik.

Detail Soal :

Mata Pelajaran : B. Indonesia

Kelas : Umum

Materi : Surat Resmi & Tidak Resmi

Kata Kunci : Surat kuasa

Kode kategorisasi : -

Pelajari Lebih Lanjut : Unsur-unsur surat kuasa https://brainly.co.id/tugas/14024718Tata cara pelaksanaan pengadilan di Indonesia https://brainly.co.id/tugas/17906873

#OptiTeamCompetition

#TingkatkanPrestasimu


8. Bahasa lain dari kelas maya adalah... a. invisible class b. maya class c. learning class d. interconnected class e. virtual class


Jawaban:

E. Virtual class

Penjelasan:

bahasa lain dari kelas maya adalah virtual class merupakan lingkungan belajar yang dilakukan melalui internet


9. biasanya tombol power pada CPU ada 2 (dua) yaitu....A. tombol power dan standbyB. tombol power dan restartC. tombol standby dan restartD. Tombol power dan power


B. tombol power dan restartb.Tombol power dan restart
kalau gak salah kalau dikomputer saya begitu

10. Skema warna ini menggunakan satu warna pada roda warna dan dua warna disebelahnya. Salah satu contoh skema warna ini adalah warna hangat (merah,oranye, dan kuning) dan warna dingin (biru, ungu dan hijau). Skema warna yang dimaksud adalah ... A. Skema warna harmoni B. Skema warna kontras C. Skema warna analog D. Skema warna monokromatik E Skema warna komplementer


A.skema warna harmoni

11. fungsi dari alt+d pada power point adalah...


digunakan untuk menduplikasi shapes.

12. Dalam merumuskan naskah Proklamasi, Bung Karno menegaskan bahwa pemindahan kekuasaan itu berarti ... A. leader of power B. manager of power C. transfer of power D. master of power E. president of power


c. transfer of power

13. Pada tahun 2003, Ms. Power Point berubah nama menjadi... a. Ms. office Power point b. Ms. system Power Point c. Ms. word Power Point d. Ms. Access Power Point e. Ms. Presentation Power Point *Ms: microsoft


a. ms. office pover pointa. microsoft office power point

14. kekuasaan negara terbagi dalam beberapa bagian yang berdiri sendiri tanpa saling mempengaruhi, merupakan pengertian dari?a. separation of powerb. absoluteness of powerc. machtsstaat of powerd. distribution of powere. rechtsstaat of power​


Jawaban:

e.rechtsstaat of power


15. A. Hydro power plant ? B. Solar power plant C. Coal fired power plant D. Lignite fired power plant E.Nuelear power plant Saya minta bantu jawabannya memberi kan dengan bahasa Inggris


Jawaban:

A.pembangkit listrik haydro

B. pembangkit listrik tenaga Surya

c. pembangkit listrik tenaga batu bara fired

Pembangkit listrik berbahan bakar lignit

Penjelasan:

semoga membantu


16. what your opinion The teacher has a power to attract the students in their class?


ini maksudnya artinya bukan yah..
kalo artinya:apa pendapat anda bahwa guru memiliki kekuatan untuk mencocokan siswa dikelas mereka..
maaf kalo salah

17. Apa yang dimaksud power rating pada power supply? Apa yang dimaksud pure power Pada supply power


aneka taunyaower supply

jadi kayak om of, semisal stop kontak itu pusat powerpoint supply

18. Which of the following power stations produce air pollutants while generating electricity? a. hydroelectric power station c. nuclear power station b. geothermal power station d. fossil fuel power station


Jawaban:

a. hydroelectric power station

Penjelasan:

maaf kalo salah

d.fossil fuel power station.

maaf klo slah


19. kenapa power tambahan d mobil sering proteck pada volume 10 dan sebutkan apa saja biyasanya kerusakan pada power 4chanel


kerusakan yang terjadi adalah pada transistor penguat akhir,dikarenakan over load

20. mengapa d sebut power point


lembar kerja istilah power point disebut

Video Terkait


    Choose :
  • OR
  • To comment
Tidak ada komentar:
Write komentar