Senin, 14 November 2022

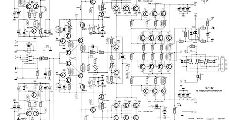
Skema Power Amplifier 2000 Watt


Skema Power Amplifier 2000 Watt

Jika daya input 2 watt ke power amplifier menghasilkan 300 watt penguat daya amplifier tersebut adalah

Daftar Isi

1. Jika daya input 2 watt ke power amplifier menghasilkan 300 watt penguat daya amplifier tersebut adalah


150 kali daya penguat nya semoga bisa membantu

2. skema power amplifier class D beserta SMPS untuk outdoor..... 2000watt rms


Klo ga salah ya liat saja ini link nya: http://rangkaianpower.blogspot.co.id/2013_01_01_archive.html?m=1

3. perbedaan power amplifier dan amplifier​


Jawaban:

POWER AMPLIFIER:

Pengertiannya, power amplifier merupakan sebuah alat yang digunakan untuk meningkatkan suara dengan daya rendah agar bisa digunakan pada pengeras suara. ...

AMPLIFER :

adalah rangkaian komponen elektronika yang dipakai untuk menguatkan daya (atau tenaga secara umum). ... Nilai dari gain yang dinyatakan sebagai fungsi penguat frekuensi audio, gain power amplifier antara 20 kali sampai 100 kali dari signal input.

Penjelasan:

semoga membantu ( ´ ▽ ` )οΎ‰


4. 5. Satuan daya dapat pula dinyatakan denganhorse power. Nilai satuan ini terhadap wattsebesar ....a. 1 horse power = 746 wattb. 1 watt = 746 horse powerc. 1 horse power = 1 wattd. 1 horse power = 1.000 watt​


Jawaban:

a. 1 horse power = 746 watt

Penjelasan:

Horse Power, 1 HP pada elektro motor sama dengan 746 Watt.

Semoga membantu

Jawaban:

a. 1 horse power=746 watt

penjelasan:

semogamembantuykak^-^


5. Berapakah jumlah elko pada power amplifier ocl 150 wt​


Jawaban:

tegantung skema nya

Penjelasan:

di skema yang ku berikan ada 4 elko


6. 1 Horse Power Berapa Watt?


1 Horse Power = 746 watt

7. Satuan daya dapat pula dinyatakan dengan horse power. Nilai satuan ini terhalat watt sebesar... a. 1 horse power=246 watt b. 1 watt= 746 horse power c. 1 horse power= 1 watt d. 1 horse power= 1.000 watt Tolong jawabin yaa


d. 1horse power=1.000 watt

8. 1 horse power brapa kilo watt


1 hp = 745,7 watt = 0,746 kWatt

9. Bagaimana cara menambah bass agar lebih mantapnpada power amplifier ?


Memberi Elco denga jenis yang lebih besar

10. Daya mesin 1 horse power sama dengan..watt


1 Horse Power = 735 watt

11. cara membuat power amplifier


1. Sambungkan Kabel Steker listrik ke Trafo (Sambungkan ke 0v dan 220v)


2. Lalu sambungkan output trafo 18v kanan dan kiri ke Diode Bridge yang lambangnya ~ (gelombang terserah kanan dan kirinya). Ingat, ada 2 yang harus di sambung.

                                                                

3. Lalu output dari dioda yaitu Plus (+) sambungkan ke ELCO + dan Yang Minus (-) juga sambungkan ke ELCO (-). (dua ELCO digabung menjadi satu dengan cara di seri).

                                                          

4. Lalu CT atau ground di trafo Sambung ke CT Elco, Sambung juga ke CT Power Amplifier, begitu juga (+) dan (-).

                                          

5. Selanjutnya adalah memasang ke 3 kabel diatas (+) (-) dan (G) ke terminal supplay KIT AMPLIFIER



dalam sebuah kit AMPLIFIER pasti ada 3 blok terminal,


a. INPUT (tempat masuknya musik dari jack headset HP, MP3 player, VCD player atau Laptop) lingkarang merah.


b. OUTPUT (Spk) atau Speaker, yaitu keluaran si power untuk disambungkan ke speaker. lingkaran biru


c. SUPPLAY daya (V+) (V-) dan (GND/OV/CT). dalam lingkaran orange V+ dan V- dalam lingkaran hijau GND/OV/CT. yang fungsinya sebagai terminal masuknya daya dari trafo untuk menyalakan dan membuat kit amplifier bekerja.

jika power minta 24 V+ CT 24V- itu artinya sumber trafo minta dibawah 24 volt. jika lebih maka power akan terbakar, sehingga yang pas adalah kita ambil 18V+ CT 18V-



6. LANGKAH terakhir tinggal finishing bro... tinggal pasang speaker dan jack+potensio dan segera dicoba !!!!! semoga memuaskan suaranya.



SEMOGA SUKSES, DAN BERMANFAAT !!!!!!!!!!!!!


12. power amplifier dengan output tanpa menggunakan transformator disebut sistem


OTL (OUTPUT TRANSFORMATOR LESS). Maaf ya kalau salah

13. 3500 watt berapa HP( horse power )??


3500 watt ?
3500 /745 = 4.69 HP

14. Studio Pak Kadir terdapat sebuah keyboard 200 watt, empat buah gitar masing-masing 100 watt, dan empat buah amplifier 1000 watt, dan satu sound mixer 2000 watt, dan AC 1000 W. Jika Noah band menggunakan studio itu 3 jam selama tiga kali dalam seminggu dan biaya per Kwh Rp 1000,- , berapa rekening listrik yang harus dibayar Pak Kadir dalam sebulan


Jawaban:

2.736.000

Penjelasan:

Alat                 jumlah         daya         waktu         energi

1. keyboard         1               200             3              600                

2. gitar                4               100              3              1200

3. amplifier         4               1000            3              12000

4. sound mixer   1                2000           3              6000

5. AC                   1                1000            3             3000

                                                           total energi:  22800

listrik yang digunakan dalam sebulan :

22800×12=273600 wh

                =  2.736    Kwh

yang harus dibayar :

2.736×1000= 2. 736.000


15. Dibawah ini merupakan nama lain dari adaptor kecuali?? 1)power suply 2)catu daya 3)power amplifier 4)sumber daya Jawabnya:......


3) Karena power amplifier itu bukan adaptor 

16. 8. Perhatikan skema transformator ideal berikutTeganganmasukanNs = 1000Np = 5000500 0Jika transformator tersebut dihubungkan dengan tegangan sebesar 1000 volt, maka janistransformator tersebut dan daya yang terserap hambatan 5000 adalah....A Step-up dan 80 wattC. Step-up dan 2000 wattB. Step-down dan 80 wattD. Step-down dan 2000 watt​


jawabannya adalah b 80 watt


17. satu hp (horse power) sama dengan berapa watt?


1 hp = 746 watt
Semoga membantu dan jadikan yang terbaik,tapi kalo tidak juga tak apa...
Jawabannya : 746 watt

18. skema rangkaian amplifier untuk corongan


corong* TOA*
semoga benar

19. Power supply 400 watt A efisiensi pada daya 200 watt adalah 75% power supply 400 watt B efisiensi pada daya 200 watt adalah 83%.Hitunglah berapa watt listrik yang diambil di rumah untuk kedua power supply tersebut!


Jawaban:

Power Supply A 200 watt / 75% = 266W

Power Supply B 200 watt / 83% = 240W

Penjelasan:

Efisiensi adalah berapa daya yang diambil dari listrik rumah kita (AC) untuk mengeluarkan jumlah output di Power Supply (DC). Cara hitung efisiensi adalah jumlah daya yang dipakai PSU dibagi dengan persentase efisiensi, mari kita hitung:

Power Supply A 200 watt / 75% = 266W

Power Supply A 200 watt / 75% = 266WPower Supply B 200 watt / 83% = 240W

Jadi kesimpulannya Power Supply B lebih hemat listrik, karena untuk output 200 watt daya listrik yang diambil dari rumah kita adalah 240 watt, dimana Power Supply A untuk output daya 200 watt membutuhkan daya 266 watt.

#backtoschool2020


20. Sebuah mesin melakukan usaha 2000 J dalam waktu 4 sekon Daya mesin tersebut adalah A.500 Watt B.2000 Watt C.2004 Watt D.8000 Watt



Video Terkait


    Choose :
  • OR
  • To comment
Tidak ada komentar:
Write komentar